回转驱动
提供SE/WE/SP全系列精密回转驱动,支持非标定制,满足6-8级齿轮精度与各类电机集成需求。
| 项目/Item | 数值 | 单位 |
|---|---|---|
| SE25&SEA25/SEB25/PE25 | Value | Unit |
| 输出转矩/Output Torque | 18 | kN.m |
| 倾覆力矩/Tilting Moment Torque | 271 | kN.m |
| 保持力矩/Holding Torque | 158.3 | kN.m |
| 轴向静载荷/Static Axial Rating | 2360 | kN |
| 径向静载荷/Static Radial Rating | 945 | kN |
| 轴向动载荷/Dynamic Axial Rating | 590 | kN |
| 径向动载荷/Dynamic Radial Rating | 470 | kN |
| 减速比/Gear Ratio | 150:1 | — |
| 精度等级/Tracking Precision | ≤0.15 | ° |
| ≤0.03/0.07 | ||
| 重量/Weight | 203 | kg |



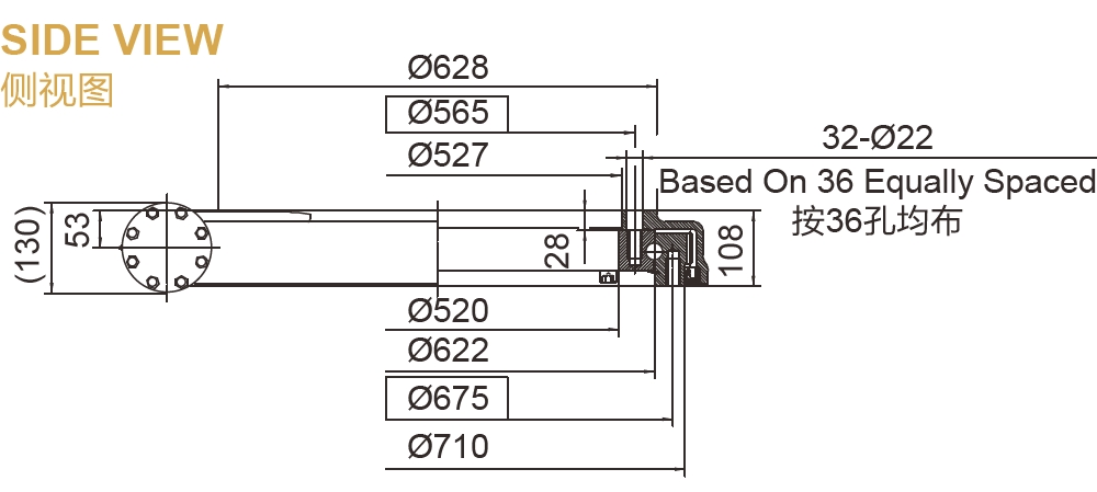
包络式回转驱动 SE25 是一款集成化的模块化传动组件,旨在提供增强的扭矩输出和操作可靠性。该回转驱动由基座、蜗轮和蜗轮组成,核心设计采用包络式蜗轮结构,确保蜗轮与蜗轮之间的更好啮合。具体来说,SE25 采用独特的设计,蜗轮的 4 到 5 个齿同时啮合,从而改善扭矩传输并维持较高的保持扭矩。
SE25 设计可以承受轴向、径向和倾斜力矩,同时保持自锁功能,在失去动力时防止被驱动部件反向旋转。此自锁功能对于安全性和负载能力要求较高的应用至关重要。
此外,SE25 回转驱动具有高度保护性。其外壳密封符合 IP65 保护标准,确保防尘防水,非常适合在户外或恶劣环境条件下使用。该回转驱动通常与液压马达或电动马达配合使用,提供灵活性和适应性,满足各种驱动需求。
包络式回转驱动 SE25 广泛应用于需要精确旋转运动和承载重负荷的各类工业。以下是一些主要应用:
在高空作业平台中,SE25 回转驱动起着至关重要的作用,旋转平台,使工人能够安全地到达高处。该驱动的自锁功能确保平台在停止运动时保持安全锁定,防止意外移动。
在移动起重机中,SE25 用于起重机回转部分的旋转。即使在重载情况下,它也能提供可靠且精确的运动控制,确保起重机安全高效地操作。增强的扭矩输出和倾斜力矩能力使其在大规模吊装作业中表现出色。
SE25 常集成在建筑机械中,如挖掘机和混凝土搅拌车,用于重型设备的旋转和移动。SE25 的高保持扭矩确保机器在重载操作时的稳定性。
在可再生能源领域,SE25 可用于风力发电机的偏航系统。它能够使风力发电机根据风向旋转和对准,从而最大化效率。其高保护等级确保在恶劣天气条件下可靠运行。
SE25 回转驱动也广泛应用于机器人和自动化系统中,适用于需要高精度和高扭矩的应用,如工业机器人或自动导引车(AGV)。其自锁功能确保在断电时的安全性。
对于需要低速、高扭矩解决方案的行业,SE25 提供了有效的解决方案。它特别适用于采矿设备、造船业以及其他需要旋转精度和高负载能力的重型机械。
SE25 回转驱动被设计为在各类工业应用中提供强大的性能和可靠性。其主要特点包括:
SE25 采用包络式蜗轮设计,使蜗轮的多个齿能够同时啮合,通常为 4 至 5 个齿。这种啮合提高了扭矩传输能力,并增加了保持扭矩,从而提升了整体机械效率。
自锁功能确保当驱动力丧失时,SE25 防止回转驱动发生反向驱动或逆向运动。这一安全功能对于需要停止并确保机器稳定的应用尤为重要,能够防止意外发生。
SE25 的设计具有防尘防水功能,符合 IP65 防护等级。这使其非常适合在暴露于湿气、尘土和杂物的恶劣环境中使用,适用于建筑工地、海上应用或其他高要求的环境。
凭借包络式蜗轮设计,SE25 提供高输出扭矩和保持扭矩,成为重型应用的理想选择。其能承受轴向、径向和倾斜负载的能力,进一步提升了其在各类领域中的多功能性。
SE25 配备了先进的密封技术,提供单层或双层骨架油封选项,增强了防尘、防泥和抗污染的能力。此功能使 SE25 非常适用于脏污、恶劣环境中的使用。
SE25 的设计能够提供精确的旋转跟踪,减少背隙。这对于需要高度精确、稳定旋转的应用尤为重要,如机器人和起重机等领域。
SE25 提供多种定制选项,包括齿轮比、安装配置和密封选项,确保能够满足不同操作需求的具体要求。这种灵活性确保 SE25 能够完美适应不同行业的特殊需求。
定制 SE25 回转驱动以满足特定应用需求是一个简便的过程。以下是 SE25 的一些定制选项:
根据所需的操作速度和扭矩,可以定制 SE25 的齿轮比。较高的齿轮比适合需要低速、高扭矩操作的应用,而较低的齿轮比则适用于需要较快转速但扭矩要求较低的应用。
SE25 回转驱动的安装配置可以根据应用的空间和设计约束进行定制,调整安装孔和整体尺寸,以适配安装位置和机器要求。
如果回转驱动需要暴露在极端环境条件下,如重度尘土、泥浆或水分,可以选择额外的密封选项。SE25 提供单层或双层骨架油封选项,适应高防水防尘标准。
对于需要更高负载承载能力的应用,SE25 可定制提供更高的扭矩和保持能力。这在采矿、重型机械和起重机等行业中尤为重要。
可以根据应用的具体要求选择不同的轴承和齿轮机构,以确保最佳性能。例如,在需要精度和顺畅操作的应用中,可以选择高精度轴承。
在防腐蚀性要求较高的应用中,SE25 可以定制为具有抗腐蚀涂层或特殊表面处理的版本,以增强耐久性和使用寿命。
立锐轴承是一家值得信赖的专业制造商,提供高质量的包络式回转驱动,包括 SE25 系列。凭借多年的行业经验,立锐轴承已经成为为广泛工业领域提供坚固可靠回转驱动解决方案的领先企业。
专业设计和工程立锐轴承的工程团队在回转驱动和动力传动技术方面经验丰富。公司通过精密设计确保每款产品满足最高性能标准,提供最佳的扭矩、精度和耐用性。
全面定制化服务立锐轴承为 SE25 回转驱动提供全面的定制化服务,客户可以根据需求定制齿轮比、负载能力、密封配置和特殊涂层等,以确保产品满足不同应用的要求。
严格的质量控制立锐轴承生产的每一款包络式回转驱动 SE25 都经过严格的质量控制流程,包括性能测试、耐用性测试和材料检查,确保 SE25 在最严苛的条件下也能可靠运行。
全球服务和支持立锐轴承在全球拥有分销商和服务中心,为全球客户提供本地化支持。不论是北美、欧洲还是亚洲,立锐轴承的团队都可以提供专业指导、技术支持和及时服务。
具有竞争力的定价立锐轴承提供具有竞争力的价格,确保客户能够获得高质量、定制化的解决方案。无论是大型项目还是小型系统,立锐轴承都能提供不妥协的性价比。
可持续发展承诺立锐轴承致力于生产环保的产品。公司的制造过程注重可持续性,SE25 回转驱动设计为高效节能,减少频繁更换的需求,降低浪费。


© 2025 立锐轴承 All Rights Reserved 备案号:豫ICP备2024101299号-4