回转驱动
提供SE/WE/SP全系列精密回转驱动,支持非标定制,满足6-8级齿轮精度与各类电机集成需求。
| 项目/Item | 数值 | 单位 |
|---|---|---|
| WE14&WEA14/WEB14 | Value | Unit |
| 输出转矩/Output Torque | 10.8 | kN.m |
| 倾覆力矩/Tilting Moment Torque | 71.2 | kN.m |
| 保持力矩/Holding Torque | 48 | kN.m |
| 轴向静载荷/Static Axial Rating | 960 | kN |
| 径向静载荷/Static Radial Rating | 360 | kN |
| 轴向动载荷/Dynamic Axial Rating | 230 | kN |
| 径向动载荷/Dynamic Radial Rating | 200 | kN |
| 减速比/Gear Ratio | 86:1 | — |
| 精度等级/Tracking Precision | ≤0.1 | ° |
| 重量/Weight | 75 | kg |


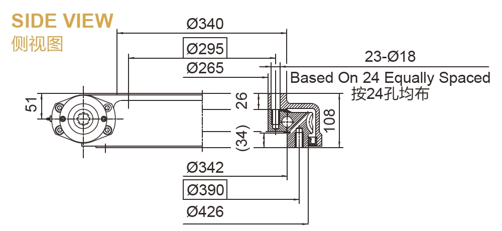
什么是蜗轮驱动 WE14?蜗轮驱动 WE14 是一款精密集成驱动单元,专为各类工业应用设计。其核心部件包括坚固的底座、精密制造的蜗杆轴以及匹配的蜗轮。这些部件能够在密封环境中高效运行,同时处理轴向载荷、径向力和倾覆力矩。WE14 集成了自锁功能,为操作提供了更高的安全性和可靠性。这一设计使 WE14 成为安全标准要求严格的应用环境中的理想选择。
WE14 的独特配置采用 ZA 或 ZK 齿形,使蜗杆与蜗轮的啮合更加紧密。这种设计优化了输出扭矩和整体运行效率,使 WE14 成为低速高扭矩应用的强大解决方案。
高输出扭矩
WE14 的输出扭矩高达 10.8 kN·m,能够轻松应对重载需求,适用于各种重型工业应用。
强大的倾覆力矩
71.2 kN·m 的倾覆力矩保证了设备在承受显著负载时的稳定性,防止操作中发生潜在失误。
优异的自锁能力
内置的自锁机制可防止在非动力状态下的逆向旋转或意外移动,为关键应用提供额外安全保障。
防尘防水设计
WE14 达到 IP65 防护等级,可有效防止灰尘和水的侵入,适合户外及恶劣环境条件。
多种驱动选项
可与液压马达或电动马达配合使用,为用户提供灵活的动力选择,满足不同应用需求。
高精度控制
跟踪精度 ≤0.1°,确保了需要精准控制的应用场景的可靠运行。
齿轮比
86:1 的齿轮比在降低速度的同时增加扭矩,非常适合低速高扭矩的工业需求。
高空作业平台
WE14 广泛应用于臂式升降系统,为高空作业提供安全可靠的旋转和提升能力。
矿山设备
WE14 的强大性能适合用于提升重型钻机和矿山设备,在安全与效率方面表现优异。
工业倾翻机构
在料斗和集装箱等需要控制倾翻和旋转的设备中,WE14 提升了操作效率。
建筑机械
WE14 在建筑领域中提供可靠的旋转驱动能力,提高施工现场的生产效率与安全性。
机器人与自动化
在自动化系统中,WE14 的精密控制功能提升了机器人应用的运行性能。
WE14 的价格因规格、定制选项和订单量的不同而有所变化。如需获取符合您需求的具体报价,建议联系销售团队。立锐轴承致力于在保持高品质产品的同时,提供具竞争力的价格。
立锐轴承是 WE14 蜗轮驱动领域的领先制造商。我们通过严谨的制造工艺和先进的工程技术,确保每一台 WE14 都具备卓越的性能与品质。我们经验丰富的团队与客户紧密合作,深入了解客户需求,提供优化操作效率的定制化解决方案。
立锐轴承持续投资研发,始终引领创新,确保 WE14 蜗轮驱动能满足行业不断变化的需求。
WEA14 和 WEB14 系列是 WE 系列的升级版本,专为应对恶劣操作环境设计。
WEA14:配备单骨架油封,适合普通环境应用。
WEB14:配备双骨架油封,提供更强的防尘防水性能,特别适用于灰尘和泥浆环境等极端工况。
两者均具备卓越性能,选择取决于具体应用需求和操作环境。在严酷条件下,建议优先选择 WEB14,而 WEA14 则适用于较温和环境,同时保持可靠性和效率。
蜗轮驱动 WE14 凭借其卓越的安全性、效率和多功能性,在各类工业应用中脱颖而出。其坚固的设计和丰富的功能使其能够满足现代工业环境中对高性能设备的需求,成为低速高扭矩应用的理想选择。


© 2025 立锐轴承 All Rights Reserved 备案号:豫ICP备2024101299号-4