回转驱动
提供SE/WE/SP全系列精密回转驱动,支持非标定制,满足6-8级齿轮精度与各类电机集成需求。
| 项目/Item | 数值 | 单位 |
|---|---|---|
| WE12&WEA12/WEB12 | Value | Unit |
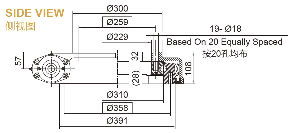
| 输出转矩/Output Torque | 9.5 | kN.m |
| 倾覆力矩/Tilting Moment Torque | 57 | kN.m |
| 保持力矩/Holding Torque | 43 | kN.m |
| 轴向静载荷/Static Axial Rating | 760 | kN |
| 径向静载荷/Static Radial Rating | 280 | kN |
| 轴向动载荷/Dynamic Axial Rating | 190 | kN |
| 径向动载荷/Dynamic Radial Rating | 148 | kN |
| 减速比/Gear Ratio | 79:1 | — |
| 精度等级/Tracking Precision | ≤0.15 | ° |
| 重量/Weight | 68 | kg |



蜗轮蜗杆驱动WE12是一种先进的集成驱动组件,专为广泛的工业应用而设计。它主要由底座、蜗杆和蜗轮组成。WE12设计为在密封条件下有效运行,能够同时承受轴向载荷、径向力和倾覆力矩。该驱动装置的一个显著特点是其自锁机制,当驱动动力丢失时,可以防止旋转部件反转。这一特性增强了操作的安全性和可靠性,使其非常适合需要严格安全标准的应用。
WE12采用精确的ZA或ZK齿形设计,确保蜗杆和蜗轮的紧密啮合,从而提高效率。这种设计不仅最大限度地提高了输出扭矩,还增强了整体操作性能。
蜗轮蜗杆驱动WE12具有以下几个关键特点,使其成为各种应用的首选:
高输出扭矩:WE12的输出扭矩为9.5 kN·m,能够承受较大的负载,适合要求苛刻的环境。
卓越的倾覆力矩:该驱动装置可承受高达57 kN·m的倾覆力矩,提供额外的稳定性和操作控制。
强大的保持扭矩:WE12的保持扭矩为43 kN·m,确保系统在非操作状态下保持牢固锁定。
高传动比:WE12的传动比为79:1,有效降低速度的同时增加扭矩输出,这对于各种机械应用至关重要。
精确跟踪:WE12的跟踪精度≤0.15°,确保精确可靠的运动控制,这对于需要高精度的应用尤为重要。
IP65防护等级:该驱动装置的结构提供了出色的防尘和防水性能,非常适合户外和恶劣的操作环境。
自锁功能:内置的自锁功能可防止反向驱动,确保在驱动装置未通电时的安全性。
蜗轮蜗杆驱动WE12因其可靠性和性能而被广泛应用于多个行业。一些显著的应用包括:
高空作业平台:WE12常用于臂架式升降机的旋转驱动装置,确保在高空作业时的安全和高效。
采矿设备:该驱动装置在采矿钻机的提升机构中起着关键作用,为重型机械提供必要的扭矩和稳定性。
工业倾翻和旋转机构:它被用于需要控制倾翻和旋转的各种工业应用,如料斗和输送系统。
工程机械:WE12集成到需要可靠旋转运动的工程设备中,提高了现场的生产率和安全性。
自动化系统:在机器人和自动化领域,WE12确保了对运动的精确控制,提高了自动化过程的功能性。
蜗轮蜗杆驱动WE12的价格可能因具体配置、定制选项和订购数量等因素而有所不同。如需准确的定价信息,潜在买家可联系我们的销售代表,他们将根据个人需求提供定制化的信息。
LYRADRIVE是蜗轮蜗杆驱动WE12的领先制造商。我们对质量和创新的承诺确保我们的产品符合最高的行业标准。我们采用先进的制造技术和优质材料,提供可靠、高性能的驱动装置,满足多样化的应用需求。
我们的经验丰富的团队与客户紧密合作,了解他们的需求,并提供定制的解决方案,以提高操作效率。我们以客户满意和持续改进为宗旨,始终站在驱动技术的前沿。
WEA12和WEB12系列旋转驱动装置是WE12的优化版本,采用了增强的密封方法,提高了其在恶劣环境中的性能。WEA12采用单骨架油封,而WEB12则配备了双骨架油封。这一升级显著提高了WEB12的密封性能,使其更适合暴露在灰尘、泥浆和其他恶劣条件下的应用。
WEA12和WEB12系列都提供了卓越的性能,但它们的选择取决于应用的具体环境要求。WEB12凭借其卓越的密封性能,是更苛刻环境中的首选,而WEA12在较不苛刻的条件下仍然有效。
蜗轮蜗杆驱动WE12是一种多功能且可靠的解决方案,适用于低速工业应用,提供了安全性、效率和适应性的结合。其设计和特点使其成为各个行业的理想选择,确保其满足现代工业操作的严格要求。


© 2025 立锐轴承 All Rights Reserved 备案号:豫ICP备2024101299号-4