回转驱动
提供SE/WE/SP全系列精密回转驱动,支持非标定制,满足6-8级齿轮精度与各类电机集成需求。
| 项目/Item | 数值/Value | 单位/Unit |
|---|---|---|
| 输出转矩/Output Torque | 16.2 | kN.m |
| 倾覆力矩/Tilting Moment Torque | 71.2 | kN.m |
| 保持力矩/Holding Torque | 82 | kN.m |
| 轴向静载荷/Static Axial Rating | 960 | kN |
| 径向静载荷/Static Radial Rating | 360 | kN |
| 轴向动载荷/Dynamic Axial Rating | 230 | kN |
| 径向动载荷/Dynamic Radial Rating | 200 | kN |
| 减速比/Gear Ratio | 86:1 | — |
| 精度等级/Tracking Precision | ≤0.13 | ° |
| 重量/Weight | 86 | kg |



什么是双蜗杆回转驱动 WED14?
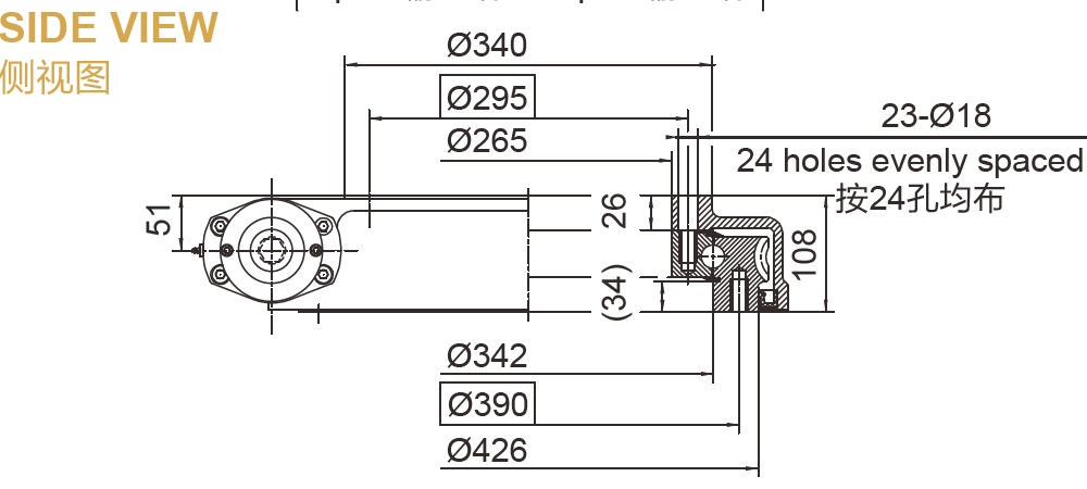
双蜗杆回转驱动 WED14 是一种先进的集成传动装置,旨在为各种重型应用提供强大而高效的动力传输。与传统单蜗杆回转驱动相比,WED14 采用双蜗杆机构,从两侧驱动蜗轮,显著提高了扭矩输出和保持能力。尽管其设计与 WE14 系列保持相同的安装尺寸,性能却更加卓越。
底座、蜗轮、蜗杆:封装于密封外壳中,有效保护组件免受灰尘、湿气等环境影响。
承载能力:能够承受轴向力、径向力和倾覆力矩,是重型机械及苛刻工业应用的理想选择。
自锁功能:防止输入功率丢失时从动部件逆向旋转,为操作人员和设备提供额外的安全保障。
广泛兼容性:可与液压马达或电动机配合使用,满足多样化驱动需求。
高防护等级:IP65 设计,提供出色的防尘防水性能。
双蜗杆配置使其扭矩输出和保持能力显著提高,同时减少齿轮磨损,延长使用寿命。
输出扭矩高达 16.2 kN·m,保持扭矩可达 82 kN·m,适用于重载场景。
静态负载:轴向负载 960 kN,径向负载 360 kN。
动态负载:轴向负载 230 kN,径向负载 200 kN。
旋转精度 ≤ 0.13°,适合高精度应用。
重型机械:如建筑、采矿、物料搬运设备中的转盘和起重机。
起重系统:船舶起重机、工业起重设备。
船舶和海洋应用:IP65 防护等级适用于海上环境。
风能和太阳能系统:支持精确跟踪太阳能板和风力涡轮机。
军事与国防:用于雷达、天线定位。
农业机械:应用于灌溉机和收割机等设备。
扭矩与负载能力:可根据需求调整额定值。
密封系统:选择适应极端环境的材料。
电机兼容性:定制匹配的液压或电动马达。
表面处理:提供特殊涂层以增强耐腐蚀性。
尺寸定制:确保与现有设备的兼容性。
定制功能:复杂度越高,成本越高。
生产量:批量订单降低单价。
材料选择:优质材料价格更高。
交付与安装:包含运输及安装费用。
市场条件:原材料价格波动影响总成本。
立锐轴承 是一家专注于设计与生产双蜗杆回转驱动器的领先企业。其 WED14 系列通过创新设计和严格质量控制,提供可靠且可定制的解决方案,满足各种重型应用需求。
核心优势:
品质保证:所有产品符合最高性能标准。
定制服务:根据客户需求优化解决方案。
技术创新:引领回转驱动行业发展。
选择立锐轴承,客户将获得一流的回转驱动产品以及高效、可靠的支持服务。


© 2025 立锐轴承 All Rights Reserved 备案号:豫ICP备2024101299号-4