回转驱动
提供SE/WE/SP全系列精密回转驱动,支持非标定制,满足6-8级齿轮精度与各类电机集成需求。
| 项目/Item | 数值/Value | 单位/Unit |
|---|---|---|
| 输出转矩/Output Torque | 48 | kN.m |
| 倾覆力矩/Tilting Moment Torque | 203 | kN.m |
| 保持力矩/Holding Torque | 179.8 | kN.m |
| 轴向静载荷/Static Axial Rating | 1598 | kN |
| 径向静载荷/Static Radial Rating | 640 | kN |
| 轴向动载荷/Dynamic Axial Rating | 385 | kN |
| 径向动载荷/Dynamic Radial Rating | 335 | kN |
| 减速比/Gear Ratio | 90:1 | — |
| 精度等级/Tracking Precision | ≤0.1 | ° |
| 重量/Weight | 195 | kg |



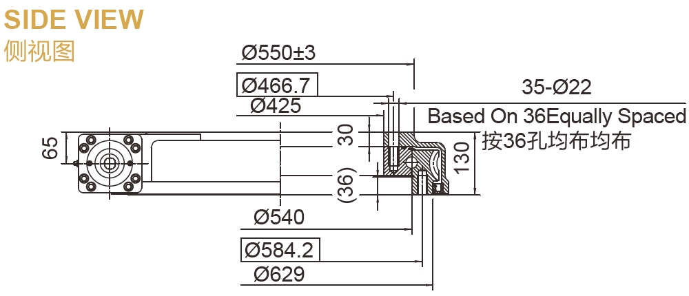
WED21系列双蜗杆回转驱动装置是一种集成单元化传动部件,采用了双蜗杆同时驱动蜗轮的设计,可以在与WE21系列回转驱动相同安装尺寸下大幅提高输出扭矩和保持扭矩,从而提高机械整体性能。主要部件由基座、蜗杆和蜗轮组成。在密闭防护的情况下,可同时承载轴向力、径向力、倾覆力矩,并同时兼具自锁功能。ZA或ZK齿型蜗杆与蜗轮齿的啮合更加紧密,有效提高产品输出扭矩和工作效率。产品结构自带的自锁功能,可以在装置在失去驱动力的情况下阻止旋转部件反转,保证安全地锁定。该特性特别适用于对安全标准要求较高的应用领域。在不同的应用环境中,与液压马达或电动机匹配,为用户提供了更多的驱动选择。
WEDA21/WEDB21系列回转驱动是在WED系列基础上,密封方式优化为单骨架油封/双骨架油封,密封性更好,提高了更好的防尘防水效果,防护等级达到IP65,对于经常面临潮湿和多尘环境的重型设备(如船舶起重机和梁架),更适合在户外或恶劣环境下使用。
WED21-2系列双蜗杆回转驱动装置是在WED21系列回转驱动的基础上,回转轴承采用双排球回转轴承(八点接触球系列),在同样安装尺寸下,有效提高产品的轴向载荷、径向载荷和倾覆力矩,是重型机械转向(运梁车回转驱动等)和重型回转平台的首选。
双螺旋回转驱动WED21是一种高性能的驱动系统,旨在为重型机械提供强大的扭矩传递和精确的旋转运动。它采用双螺旋齿轮配置,增强了扭矩输出和保持扭矩能力,使其非常适合需要高负载承载能力的行业。
高输出扭矩
提供48 kN·m的输出扭矩,保持扭矩为179.8 kN·m,适用于大型工业机械。
增强的负载承载能力
相比于以前的型号,WED21具有更高的轴向负载(1598 kN)和径向负载(640 kN)承载能力,确保在重负荷下稳定运行。
自锁功能
当驱动失去电力时,防止不必要的旋转,确保操作安全。
双螺旋驱动
通过减少单个螺旋齿轮的负载,提升了效率和系统的耐用性。
密封外壳
保护内部组件免受恶劣环境条件的影响,延长使用寿命。
精确跟踪
确保旋转定位精度为≤0.1°,对于要求高精度的应用至关重要。
重型设计
适用于工业、航空航天和海洋等领域,重量为195 kg,表明其强度和可靠性。
WED21广泛应用于重型机械(如起重机和挖掘机)、可再生能源(风力发电机)、海洋(海上钻井平台)、航空航天和其他工业领域,这些行业都需要精确的旋转运动和高扭矩。
重型机械与设备
WED21是大型建筑和矿业设备(如起重机、挖掘机和装载机)的理想选择,这些机器通常需要高扭矩来举升和搬运重物,而WED21回转驱动提供了所需的动力,确保高效作业。
可再生能源 - 风力发电机
在可再生能源领域,WED21被用于风力发电机系统中,帮助旋转涡轮机机舱以优化其面风角度。其自锁功能确保风力涡轮机在不运转时保持静止,防止在大风环境中产生不必要的旋转。
海洋应用
WED21适用于海洋应用,如船舶上的起重机定位和旋转、海上钻井平台以及绞盘。其密封设计使其能够抵御海水腐蚀和其他恶劣的海洋环境。
航空航天与国防
在航空航天与国防应用中,WED21被用于要求精确旋转的系统,如雷达系统、天线定位和卫星天线。其高精度和可靠性对于敏感和高风险环境至关重要。
工业自动化
WED21通常用于工业自动化系统中,如机器人臂、传送带系统和自动化装配线。其能够承受重负荷并提供平稳、受控的运动,使其在自动化制造中非常有价值。
物料搬运
在物料搬运行业,WED21回转驱动常用于转台和旋转平台,管理大型、重型物品。其能够支撑轴向、径向和倾斜力,确保即使在重负荷下,物料搬运设备仍能高效、安全地运行。
海上和石油天然气
WED21非常适合用于海上钻井平台和其他石油天然气设备,要求高扭矩和精确的运动控制。其自锁功能和重型设计,使其成为海上环境中可靠的选择,在挑战性的条件下仍能高效运作。
WED21提供各种定制选项,以确保驱动系统完美匹配任何应用的独特需求。可以调整以下多个因素来优化WED21以适应特定的操作要求:
扭矩与负载承载能力
WED21标准的输出扭矩为48 kN·m,但根据应用需求,可以定制更高的扭矩选项,以确保回转驱动能够承受更大的负载要求。
齿轮比
WED21标准齿轮比为90:1,但根据速度和扭矩需求,可以调整齿轮比,以提供更多的速度或扭矩,确保驱动系统匹配实际需要。
密封与保护
根据回转驱动将暴露的环境条件,定制密封选项。对于暴露在多尘或腐蚀性环境中的应用,可以选择增强的密封选项,以提供额外的防护,抵御水分、灰尘和其他污染物。
轴承选择
可以选择不同的轴承类型,以优化回转驱动在特定负载条件下的性能。对于涉及较大径向或轴向负载的应用,可以定制轴承,以确保驱动系统在这些条件下可靠运行。
安装与配置
安装和配置可以根据特定的机械或平台量身定制。定制安装选项确保WED21能够与不同的应用无缝集成,无论是用在起重机、风力发电机还是工业机器人中。
WED21回转驱动的价格受多个因素的影响:
扭矩与负载等级
扭矩和负载承载能力越高,通常意味着更高的价格,因为需要更多的材料和工程要求来支持这些规格。
定制功能
定制的齿轮比、轴承和密封选项将增加回转驱动的成本。
生产量
批量订单可能会带来价格折扣,因为生产规模效应可以降低成本。对于大规模项目或长期订单,供应商可能会根据数量提供折扣。
材料质量与耐用性
WED21回转驱动所使用的材料类型会影响成本。为极端环境或需要高级抗腐蚀能力的应用(如海洋或海上应用)设计的驱动,可能会因使用了不锈钢或抗腐蚀涂层等特殊材料而增加价格。
交货时间
定制要求和具体需求可能会导致交货时间延长。如果需要快速交付,这也可能会增加价格,因为生产过程可能会加速。此外,定制设计和特殊功能也可能需要额外的工程设计,影响最终成本。
密封与保护功能
增强的密封选项,如双重密封系统、防水和防尘功能,会提高WED21的成本。这些特性在暴露于严苛环境条件中的应用(如海上石油平台或矿业作业)中尤为重要。
轴承与精密功能
采用高端轴承(如双排球轴承或专门的推力轴承)会提高价格。类似地,高精度功能(如高精度跟踪系统)也会增加回转驱动系统的总体成本。
供应商与品牌
制造商的声誉和专业性也会影响价格。成熟且具有良好声誉的品牌可能会收取较高的费用,因为其可靠性、客户支持和长期表现已得到验证。然而,一些供应商也可能提供竞争力的定价,同时不妥协质量,特别是当他们提供技术支持和产品保修等附加服务时。
立锐轴承是回转驱动领域的领先者,提供包括双螺旋回转驱动WED21在内的全系列产品。凭借多年设计和制造高质量回转驱动的经验,立锐轴承专注于根据客户的特定需求提供可靠高效的解决方案。
在立锐轴承,创新、质量和客户满意度是公司的核心。公司拥有一支专门的工程师团队,能够根据客户的需求提供定制化解决方案,即使是最复杂的应用。立锐轴承承诺只使用最优质的材料和最新的技术,生产符合行业最严格标准的回转驱动。


© 2025 立锐轴承 All Rights Reserved 备案号:豫ICP备2024101299号-4