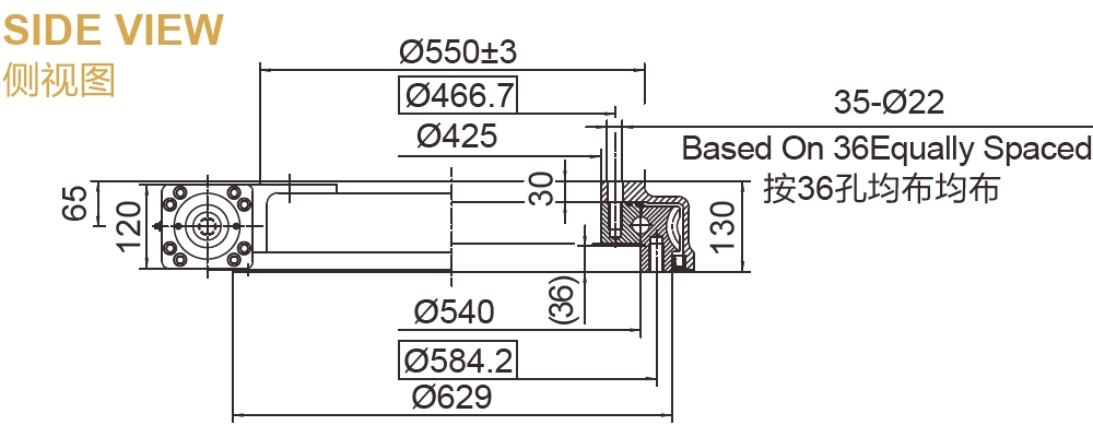
回转驱动
提供SE/WE/SP全系列精密回转驱动,支持非标定制,满足6-8级齿轮精度与各类电机集成需求。
| 项目/Item | 数值 | 单位 |
|---|---|---|
| WE21&WEA21/WEB21 | Value | Unit |
| 输出转矩/Output Torque | 28.7 | kN.m |
| 倾覆力矩/Tilting Moment Torque | 203 | kN.m |
| 保持力矩/Holding Torque | 105.8 | kN.m |
| 轴向静载荷/Static Axial Rating | 1598 | kN |
| 径向静载荷/Static Radial Rating | 640 | kN |
| 轴向动载荷/Dynamic Axial Rating | 385 | kN |
| 径向动载荷/Dynamic Radial Rating | 335 | kN |
| 减速比/Gear Ratio | 90:1 | — |
| 精度等级/Tracking Precision | ≤0.1 | ° |
| 重量/Weight | 172 | kg |



什么是蜗轮传动 WE21?
蜗轮传动 WE21 是一种先进的集成旋转驱动系统,专为广泛的工业应用而设计。WE21 由底座、蜗杆轴和蜗轮等关键部件组成,设计用于在密封环境中高效运行。该驱动系统可以同时处理轴向载荷、径向力和倾覆力矩,而其自锁机制可确保即使在断电时也能安全运行。这使得 WE21 特别适合具有严格安全标准的应用。
蜗轮传动 WE21 的特点
蜗轮传动 WE21 具有几个关键特性,可提高其性能和可靠性:
高输出扭矩:WE21 提供 28.7 kN.m 的显著输出扭矩,使其能够有效地管理重载。
自锁机制:当系统失去驱动功率时,自锁功能可防止反向旋转。这对于确保操作安全至关重要,因为必须降低不受控制的运动风险。
增强的啮合设计:蜗杆和蜗轮采用 ZA 或 ZK 齿形,可以实现更紧密的啮合,从而提高扭矩输出和整体运行效率。
坚固的密封结构:WE21 具有 IP65 等级,可防尘防潮,非常适合户外和恶劣的环境条件。
多功能兼容性:WE21 可以与各种类型的电机配对,包括液压和电动电机,为用户提供灵活的选择,以满足其特定的操作需求。
精确控制:驱动器的跟踪精度为 ≤0.1°,可实现各种工业应用中所需的高精度运动。
蜗轮传动 WE21 的应用
蜗轮传动 WE21 因其卓越的性能和安全特性而被广泛应用于多个行业。主要应用包括:
高空作业平台:WE21 用于动臂升降机,提供可靠的旋转和提升能力,提高高空作业的安全性和效率。
采矿设备:在采矿业中,WE21 用于提升重型钻机,确保操作稳定性和安全性。
工业机械:该驱动器对于需要控制倾斜和旋转的各种工业机器至关重要,可显著提高生产率和工作流程。
建筑设备:WE21 用于建筑机械,可靠的旋转对于有效的现场操作至关重要。
机器人和自动化:在自动化系统中,WE21 对于提供精确的运动至关重要,这对于机器人应用的有效运行至关重要。
蜗轮传动 WE21 的价格
蜗轮传动 WE21 的价格因多种因素而异,包括特定配置、定制要求和订单量。如需根据个人需求定制准确的定价信息,我们鼓励潜在客户咨询我们的销售代表。 LYRADRIVE 致力于提供具有竞争力的价格,同时不影响质量或可靠性。
LYRADRIVE:蜗轮传动 WE21 的专业制造商
LYRADRIVE 是一家领先的制造商,专门设计和生产蜗轮传动 WE21 系统。我们对质量和创新的承诺使我们在行业中脱颖而出。通过采用先进的工程技术和高品质的材料,我们确保我们的驱动器符合严格的性能和耐用性标准。我们经验丰富的团队与客户合作,提供定制解决方案,以提高各种应用的运营效率。
LYRADRIVE 高度重视持续改进,在研发方面投入大量资金,使我们的蜗轮传动 WE21 始终处于技术前沿,确保满足客户不断变化的需求。
WEA21 和 WEB21 的比较
WEA21 和 WEB21 系列旋转驱动器是 WE21 的增强版本,经过优化,可在具有挑战性的环境中实现更好的性能。两者的主要区别在于密封方式:WEA21 采用单骨架油封,而 WEB21 则采用双骨架油封。密封技术的升级为 WEB21 提供了出色的防尘、防泥和其他污染物保护,使其特别适合恶劣的操作条件。
WEA21 和 WEB21 均具有出色的性能;然而,两者之间的选择取决于具体的操作环境和要求。对于暴露在恶劣条件下的应用,WEB21 是首选,因为它具有增强的密封能力。相反,WEA21 非常适合要求较低的环境,同时仍能提供可靠的性能。
总之,蜗轮传动 WE21 是低速工业应用的强大解决方案,集效率、安全性和多功能性于一体。其先进的功能和可靠的设计使其成为各个领域的绝佳选择,满足现代工业运营的高标准要求。


© 2025 立锐轴承 All Rights Reserved 备案号:豫ICP备2024101299号-4