回转驱动
提供SE/WE/SP全系列精密回转驱动,支持非标定制,满足6-8级齿轮精度与各类电机集成需求。
| 项目/Item | 数值 | 单位 |
|---|---|---|
| WE25&WEA25/WEB25 | Value | Unit |
| 输出转矩/Output Torque | 34.2 | kN.m |
| 倾覆力矩/Tilting Moment Torque | 310 | kN.m |
| 保持力矩/Holding Torque | 158.3 | kN.m |
| 轴向静载荷/Static Axial Rating | 2360 | kN |
| 径向静载荷/Static Radial Rating | 945 | kN |
| 轴向动载荷/Dynamic Axial Rating | 590 | kN |
| 径向动载荷/Dynamic Radial Rating | 470 | kN |
| 减速比/Gear Ratio | 104:1 | — |
| 精度等级/Tracking Precision | ≤0.1 | ° |
| 重量/Weight | 203 | kg |



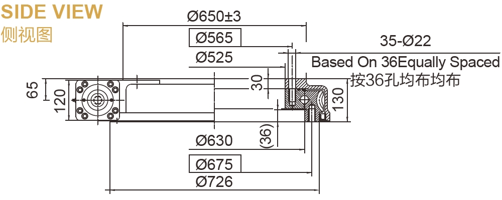
蜗轮驱动 WE25 是一款高精度、防尘、防水的旋转驱动系统,专为海洋起重机、提升设备等苛刻机械应用设计。这一先进驱动系统的核心部件包括底座、蜗杆轴以及蜗轮,所有部件均在密封外壳内高效运转。WE25 能够同时承受轴向载荷、径向力和倾覆力矩,并集成了自锁机制,进一步提升了操作安全性。此设计使 WE25 特别适合需要严格安全标准的应用场景。
高输出扭矩
WE25 提供高达 34.2 kN·m 的输出扭矩,具备出色的重载能力,适用于各种严苛工况。
自锁机制
内置自锁功能,在断电时防止逆向旋转,确保机械和周边工作人员的安全。
紧密啮合设计
采用 ZA 或 ZK 齿形,蜗杆与蜗轮啮合更紧密,有效提升输出扭矩和工作效率。
耐用密封结构
达到 IP65 防尘防水等级,确保在户外及恶劣环境下的可靠性能。
广泛兼容性
可匹配多种类型的电机,包括液压电机和电动马达,满足不同应用需求。
高精度控制
跟踪精度 ≤0.1°,为需要精准控制的应用场景提供可靠保障。
海洋起重机
在海洋起重机的应用中,WE25 提供精准的提升与旋转能力,确保装卸作业的安全与高效。
重型起重设备
在建筑及工业领域中,WE25 为重型起重设备提供可靠的驱动能力,提高生产效率与安全性。
矿山机械
广泛应用于矿山钻机的提升和控制,具备稳定性和安全性。
高空作业平台
WE25 是高空作业平台的关键驱动组件,为工人及设备的升降操作提供安全控制。
工业自动化
在自动化系统中,WE25 支持精确的运动控制,适用于机器人应用及其他自动化流程。
WE25 的价格会因配置、定制选项和订单量而有所不同。如需获取符合您需求的具体报价,建议直接联系销售代表。立锐轴承始终致力于在保持卓越品质与可靠性的同时,提供具有竞争力的价格。
立锐轴承专注于 WE25 蜗轮驱动的设计与制造,确保产品满足严苛的性能与质量标准。我们以创新和卓越著称,通过先进的工程技术和高品质材料生产出耐用且高效的驱动设备。我们的经验丰富团队与客户紧密合作,提供定制化解决方案,优化各类应用中的操作效率。
为了保持技术的领先地位,立锐轴承持续投资研发,确保 WE25 蜗轮驱动在技术进步中始终占据一席之地,满足客户不断变化的需求。
WEA25 和 WEB25 系列旋转驱动是 WE25 的优化版本,针对严苛操作环境进行了特别设计。两者的主要区别在于密封方式:
WEA25 配备单骨架油封,适合一般环境。
WEB25 配备双骨架油封,提供更优异的防尘防泥保护,特别适合极端工况。
两款产品均具备卓越性能,选择取决于具体应用需求和环境条件。在恶劣环境下,建议使用 WEB25,而 WEA25 则适合较轻工况,仍能提供可靠性能。
蜗轮驱动 WE25 是低速工业应用中的领先解决方案,集高效性、安全性和多功能性于一体。其先进的设计特点和坚固的结构使其在多个领域中表现出色,能够满足现代工业运营的高标准要求。


© 2025 立锐轴承 All Rights Reserved 备案号:豫ICP备2024101299号-4